Senin, 31 Januari 2011

Membuat Rangkaian Audio Unbalance to Balance


Pengantar

Sistem Audio Unbalance

Sebuah sistem audio unbalance terdiri dari 2 pin per channel (Signal & Ground). Sistem ini lebih rawan terhadap gangguan sinyal RF yang menimbulkan noise. Meskipun sumber sinyal mungkin "bersih", tapi sepanjang kawat yang menghubungkan sistem akan timbul gangguan "noise" . Hal ini karena kawat bertindak sebagai antena.

Pada saat sinyal mencapai amplifier, noise ini ditambahkan ke dalamnya. Output yang dihasilkan dari amplifier terdiri dari sinyal + noise. Mungkin Noise ini cukup kecil sehingga tidak begitu terdengar dibandingkan sinyal. Tapi apabila noise yang ditimbulkan terlalu besar maka sinyal tidak akan jelas terdengar karena terganggu oleh noise tersebut.

Sistem ini hanya mampu dipergunakan untuk jarak yang pendek (perangkat home use)



Sistem Audio Balance

Sebuah sistem audio unbalance terdiri dari 3 pin per channel :

  • Pin 1 : Ground ( shield)
  • Pin 2 : Signal Non inverted / + / Hot
  • Pin 3 : Signal Inverted / - / Cold

Pin 2 (+) membawa sinyal utama, sementara pin 3 (-) membawa kebalikan dari sinyal utama (beda fase180 derajat).

Sistem ini lebih tahan terhadap gangguan sinyal RF dan dapat menghantarkan pada jarak yang jauh .

Kedua sinyal tersebut disebut sebagai sinyal "diferensial".

Karena sinyal (+) dan sinyal (-) ada perbedaan maka pada saat mencapai amplifier (Penguat Diferensial), maka output dari Penguat Diferensial tersebut akan sama dengan (Vin) - (-Vin) atau sama dengan 2Vin (sinyal menjadi dua kali lipat) . Perlu diketahui bahwa meskipun dua sinyal berbeda fase 180 derajat , noise berada dalam fase yang sama. Ini berarti bahwa pada output amplifier noise akan menjadi nol (Noise)-(Noise)=0.

Output Amplifier = (A + Noise) - (-A + Noise)

= A Noise + A –Noise

= 2A


Perakitan Audio Unbalance to Balance

Suatu perangkat audio yang memiliki output unbalance

dapat juga diubah menjadi balance yaitu dengan cara dimasukan ke perangkat "unbalance to balance converter".

Rangkaian Stereo Unbalance to Balance



Lay out


Untuk Ukuran yang lebih kecil bisa memakai yang ini :


PCB



Untuk Ukuran PCB yang lebih kecil bisa memakai yang ini :

Pembuatan Rangkaian dan Tata Letak Komponen (Lay Out PCB) menggunakan :
CardSoft Eagle Professional 5.6.0
(Easily Applicable Graphical Layout Editor)

Cari aza di 4shared.com yah ..... gratis..tisss....tissss he..he...he...

Setelah lay out terbentuk, pindahkan gambar lay out tersebut ke dalam PCB, pembuatan jalurnya dapat menggunakan rugos (elektro set) / Spidol Permanen.
Setelah pembuatan jalur selesai ... rendam dan goyang-2 PCB tersebut pada Ferrite Chloride yg dicampur air panas sampai permukaan yg tidak tertutup rugos terkikis (hilang).

Selanjutnya Penyolderan komponen + perakitan , hasilnya kira-2 seperti ini :

Hasil Rakitan





Minggu, 30 Januari 2011

Video Persib vs Arema 23 Jan 2011

Video Persib vs Arema Indonesia pada tanggal 23 januari 2011 di stadion Siliwangi Bandung dengan skor 1-1

Jumat, 21 Januari 2011

Cara Kerja Pemancar TV

Cara Kerja Pemancar TV

Untuk download filenya silahkan KLIK

Sebuah ilmu yang di dapat dari : http://www.2wijaya.com/2W/Pemancar_TV.htm

Di dalam Pemancar TV terdapat dua sinyal yang dipancarkan sekaligus, yaitu sinyal gambar dan sinyal suara. Frekuensi kerja Pemancar TV berada pada spektrum frekuensi VHF (174 - 230 MHz) dan UHF (470 - 806 MHz). Kedua sinyal terseb
ut dibangkitkan terlebih dahulu di frekuensi antara (IF) dimana sesuai rekomendasi CCIR frekuensi sinyal pembawa gambar telah ditetapkan sebesar 38,9 MHz dan frekuensi sinyal pembawa suara 33,4 MHz. Dari sini kemudian frekuensi kedua sinyal ini digeser ke frekuensi kerjanya sesuai dengan nomor kanal yang dikehendaki.

Gambar (1) Diagram Pemancar-TV dengan separate amplifier
Gambar (1) memperlihatkan diagram dari sebuah pemancar TV dimana di dalamnya terdapat dua buah amplifier. Satu amplifier sebagai penguat sinyal gambar dan satu amplifier lagi sebagai penguat sinyal suara. Dua buah RF amplifer di dalam Pemancar TV seperti ini sering disebut dengan Separate Amplifier.
Di era sebelum tahun 90-an satu-satunya RF Amplfier yang mampu menghasilkan daya pancar yang besar hanyalah tabung klystron. Tabung klystron memiliki gain yang sangat besar (40dB), sehingga dengan gain sebesar ini penguat tabung klystron mampu menghasilkan daya pancar hingga 70 kW cukup di-drive dengan sinyal input sebesar 7 watt saja. Di sisi lain penguat driver dengan output 7 watt secara praktis sangat mudah dibuat, sehingga dengan demikian transistor sebagai penguat driver dan tabung klystron sebagai penguat akhir (Po-Amp) menjadi pasangan yang sangat serasi pada jamannya.
Kelemahan dari penguat tabung klystron adalah sifatnya yang kurang linier, sehingga tidak cocok untuk digunakan memperkuat dua sinyal sekaligus (sinyal gambar dan suara). Sebab sifat ketidak-linieran-nya itu akan menyebabkan intermodulasi antar kedua sinyal (saling memodulasi satu sama lain). Itulah sebabnya di masa itu pemancar-pemancar TV berdaya pancar besar, dengan tabung klystron sebagai amplifiernya, selalu menggunakan sistem Separate Amplifier. Penjumlahan sinyal gambar dan sinyal suara kemudian dilakukan di sisi output kedua amplifier.
Dengan semakin membaiknya teknologi komponen, kelinieran amplifier menjadi semakin mudah diperoleh. Maka pemakaian sistem separate amplifier makin lama makin ditinggalkan. Kini pemakaian common amplifier (satu amplifier untuk memperkuat dua sinyal) menjadi lebih populer, karena lebih praktis, lebih sederhana dan lebih murah. Gambar (2) memperlihatkan diagram pemancar TV dengan sistem Common Amplifier.



Gambar (2) Diagram Pemancar-TV dengan common amplifier

Transistor-transistor RF dengan daya output yang besar kini juga semakin banyak tersedia. Selain itu transistor, ketika dioperasikan pada titik kerja yang tepat, akan mampu menghasilkan penguatan yang sangat linier. Selanjutnya, berhubung transistor bekerja pada tegangan yang relatif rendah (48 volt), maka beberapa penguat transistor dapat disusun secara paralel sedemikian rupa sehingga diperoleh penjumlahan arus RF dari masing-masing penguat. Perkalian dari tegangan dan jumlah arus RF ini akan menghasilkan daya RF output yang lebih besar. Susunan penguat transistor dengan daya RF output hingga 20 kW kini sudah banyak tersedia di pasar.
Bila menginginkan daya pancar yang lebih besar lagi maka penguat Tabung Tetroda dan penguat IOT (Inductive Output Tube) menjadi pilihan berikutnya. Penguat Tabung Tetroda misalnya, mampu menghasilkan daya RF output sebesar 30 kW, sedangkan penguat IOT mampu menghasilkan daya output hingga 100 kW. Kedua jenis penguat tabung ini juga dikenal sangat linier sehingga cocok digunakan pada pemancar TV dengan sistem Common Amplifier.
STANDAR SIARAN TV DI INDONESIA
Pemancar TV di Indonesia mengadopsi sistem PAL-B (VHF) dan PAL-G (UHF) dengan spesifikasi teknik mengikuti rekomendasi ITU-RBT.470-4. Pemerintah Indonesia telah menetapkan suatu standar melalui Keputusan Menteri Perhubungan (Kepmen) Nomor 76 tahun 2004 tentang “Rencana induk frekuensi radio untuk keperluan siaran televisi analog pada pita UHF”. Di dalam lampiran Kepmen ini diuraikan spesifikasi pemancar TV secara umum sebagai berikut:

A. PEMANCAR GAMBAR
1. Jenis Pancaran : C3F – Negatif
2. Sistem modulasi : AM – Vestegial Side Band (Analog)

3. Jenis Transmisi : Negatif
4. Indeks Modulasi : maksimum 90%
5. Frekuensi Pembawa IF :38,9 MHz
B. PEMANCAR SUARA
1. Jenis Pancaran : F3E
2. Sistem Modulasi : FM (Analog)
3. Simpangan Frekuensi : +/- 50 kHz (maksimum)

4. Pre-Emphasis : 50 µs
5. Frekuensi Pembawa IF : 33,4 MHz

6. Kekuatan / Daya pancar : Min 5% dan Maks 10% dari daya pancar Pemancar Gambar
C. SPEKTRUM FREKUENSI



Translasi Frekuensi

Ada fenomena menarik dalam domain frekuensi. Bahwa frekuensi sinyal itu bisa dijumlah, dikurang, dikali dan dibagi. Mirip bilangan bulat biasa. Ada juga hal yang tak kalah menariknya, yaitu penjumlahan dan pengurangan frekuensi itu berasal dari perkalian dua sinyal. Perkalian, penjumlahan dan pengurangan frekuensi ini hanya bisa terjadi dalam sistem non-linier.
Sebuah sistem disebut linier bila bentuk sinyal output yang dihasilkan sama persis dengan bentuk sinyal inputnya. Sebagai contoh misalnya kabel coaxial. Sebuah sinyal yang dilewatkan kabel coaxial tidak akan mengalami perubahan bentuk, hanya daya/amplitudonya saja yang berkurang (akibat redaman kabel). Demikian juga dengan audio amplifier. Sebuah test tone 1 kHz yang dimasukkan ke amplifier tidak akan berubah bentuknya. Frekuensinya tetap sama (1 kHz) dan hanya amplitudonya saja yang bertambah besar( akibat gain amplifier). Bila ada frekuensi lain selain test tone 1 kHz,, maka dikatakan amplifier ini bersifat non-linier.
Dalam hal audio, kelinieran amplifier sangat penting agar tidak muncul frekuensi-frekuensi yang tidak dikehendaki. Tetapi dalam kasus lain sifat non-linier justru sangat dibutuhkan. Sifat non-linier ini muncul akibat adanya komponen elektronik yang bisa "merusak" bentuk sinyal. Misalnya dioda atau transistor.
Dioda hanya bisa mengalirkan arus ke satu arah saja. Bila diberi masukan berupa sinyal bolak balik maka dioda akan memotong-motong sinyal itu hingga menjadi setengah gelombang saja. Ini berarti sinyal bolak-balik itu telah “dirusak” oleh dioda. Menurut deret Fourier sinyal yang “rusak” (bukan sinus murni) adalah merupakan jumlah dari sinyal-sinyal harmonik yang tak berhingga jumlahnya. Maksudnya, bahwa di dalam sinyal yang "rusak" ini terkandung komponen-komponen frekuensi harmonik yang tak terhingga banyaknya.
Hal yang sama juga terjadi pada transistor. Penguat transistor yang dioperasikan di kelas B atau C juga bersifat "merusak" sinyal, apalagi bila amplitudo sinyal inputnya terlalu besar. Penguat transistor pada gambar (b) adalah rangkaian penguat yang sengaja didesain agar bersifat non-linier. Dalam rangkaian ini sinyal osilator yang masuk (Lo) diperkuat oleh amplifier kemudian dilewatkan ke dalam rangkaian hard limitter agar bentuknya berubah mirip pulsa persegi. Tujuannya adalah untuk menyalakan dan mematikan transistor seperti layaknya switch. Dioda pada gambar (a) juga berfungsi sebagai switch yang berfungsi untuk "merusak" sinyal Lo. Sinyal Lo yang rusak ini kemudian dijumlahkan dengan sinyal IF sehingga diperoleh intermodulasi antar keduanya. Dari sinilah translasi frekuensi dari frekuensi IF ke RF terjadi.


Gambar contoh implementasi sistem non-linier berupa (a) mixer pasif (b) mixer aktif
Translasi frekuensi sangat dibutuhkan bagi sebuah sebuah sinyal (yang membawa pesan dengan bandwitdh tertentu) untuk ditempatkan pada satu kanal tertentu. Misalnya sebuah sinyal TV yang harus digeser frekuensinya dari IF ke RF. Dengan mengetahui besarnya frekuensi IF dan RF kita bisa menghitung besarnya frekuensi lokal osilator (Lo) yang dibutuhkan.
Gambar di bawah ini memperlihatkan mekanisme translasi sebuah sinyal TV. Pada gambar (c) di bagain kiri terdapat sinyal TV dengan frekuensi pembawa suara 33,4 MHz dan pembawa gambar 38.9 MHz. Kedua sinyal ini kemudian dimasukkan kedalam sistem non-liner lalu dijumlahkan dengan sinyal osilator 249,15 MHz. Sesuai sifat dasarnya yang "merusak" maka di output sistem non-linier ini akan muncul sekian banyak komponen-komponen frekuensi harmonik maupun produk intermodulasi. Dari sekian banyak sinyal ini hanya komponen selisih lah yang dalam kasus ini kita butuhkan. Maka dengan sebuah filter yang memiliki respons seperti pada gambar (d) kita bisa mengambil sinyal yang kita butuhkan ini. Sementara komponen-komponen frekuensi yang lain dibuang oleh filter. Hasilnya adalah sebuah sinyal TV kanal 9 dengan spektrum sebagaimana ditujukkan dalam gambar (e).


Gambar mekanisme translasi frekuensi sinyal TV
Komponen jumlah dan selisih diperoleh dari produk intermodulasi, dimana komponen ini justru diperoleh dari perkalian dua buah sinyal.

Konsep Penggeseran Frekuensi
Mixer adalah sebuah sistem non-liner yang berfungsi untuk mencampur dua buah sinyal dalam rangka untuk mendapatkan komponen frekuensi jumlah atau selisih. Komponen jumlah atau selisih ini berasal dari produk intermodulasi kedua sinyal yang kemudian melahirkan perkalian dari dua sinyal itu. Itulah sebabnya mixer juga sering disebut dengan rangkaian pengali. Simbolnya adalah kali (x).
Gambar (a) Mixer sebagai model sistem non-linier (b) Simbol mixer sbg rangkaian pengali
Sebuah sistem non-linier akan menghasilkan komponen-komponen sinyal yang secara matematis dapat dituliskan sbb :

Dari persamaan di atas terlihat bahwa mixer akan menghasilkan sinyal-sinyal dengan komponen frekuensi yang tak terhingga banyaknya. Dengan sebuah filter komponen-komponen frekuensi yang demikian banyak itu dapat dengan mudah dihilangkan, dan selanjutnya hanya satu komponen frekuensi yang dibutuhkan saja yang diambil. Oleh karena itu setelah mixer umumnya diikuti dengan sebuah filter.
Produk intermodulasi orde dua (n = 2) adalah komponen yang paling dibutuhkan, karena dari produk inilah akan dihasilkan komponen frekuensi jumlah dan frekuensi selisih. Untuk orde dua, di output mixer akan terdapat komponen sinyal sbb:
Di sini terlihat bahwa suku kedua dari persamaan ini adalah berupa perkalian antara dua sinyal input. Bila kedua sinyal ini berupa sinyal cosinus dan frekuensi masing-masing adalah fa dan fb serta amplitudo masing-masing adalah Aa dan Ab, maka persamaan di atas bisa dituliskan lagi menjadi:
Kemudian dengan menggunakan dalil-dalil trigoniometri, suku kedua yang berisi perkalian dua sinyal itu bila diturunkan secara terpisah akan menjadi:

Dari persamaan ini dapat dilihat bahwa produk perkalian dua buah sinyal ternyata menghasilkan komponen frekuensi jumlah (fa + fb) dan komponen frekuensi selisih (fa - fb). Pertanyaan penting berikutnya adalah bagaimana bila salah satu dari dua sinyal itu berupa sinyal yang sudah berisi pesan, misalnya pesan yang dimodulasikan secara AM atau FM? Mari kita lihat bila misalnya :
Maka berdasarkan dalil-dalil trigoniometri mudah dibuktikan bahwa produk perkalian antara sinyal A (osilator) dengan sinyal B (sinyal bermudulasi AM atau FM) akan menghasilkan:
Kedua persamaan ini memperlihatkan bahwa struktur matematik dari sinyal AM maupun sinyal FM tidak berubah, dan hanya frekuensi pembawanya saja yang mengalami pergeseran sebesar fa + fb dan fa - fb. Dengan demikian menjadi jelas bahwa mixer mampu menghasilkan pergeseran frekuensi tanpa menghilangkan pesan yang terkandung di dalamnya.
Sifat mixer sebagai rangkaian pengali inilah yang kemudian dimanfaatkan untuk menggeser frekuensi dari satu frekuensi ke frekuensi lain. Pada pesawat penerima super heterodyne misalnya, mixer dimanfaatkan untuk menurunkan frekuensi dari RF ke IF, sedangkan pada pemancar TV mixer dimanfaatkan untuk menggeser frekuensi dari IF ke RF. Aplikasi mixer sangatlah luas, dan bahkan hampir semua peralatan komunikasi yang menggunakan frekuensi radio selalu terdapat rangkaian mixer di dalamnya. Sebab hanya dengan mixer inilah penggeseran frekuensi bisa dengan mudah dilakukan.

TRANSMISI NEGATIF
Yang dimaksud dengan transmisi negatif adalah pembalikan fasa atau polaritas sinyal video pada saat sinyal tersebut dipancarkan. Perhatikan bentuk sinyal video standar di bawah ini, dimana terdapat pulsa sinkronisasi di bagian paling bawah, kemudian di atasnya sedikit ada level pedestal, lalu black level dan disusul dengan sinyal berubah-ubah yang berisi tentang informasi gambar. Makin tinggi level sinyal video ini akan menghasilkan gambar di layar yang makin terang. Sebaliknya makin rendah tegangannya akan menghasilkan gambar di layar yang makin gelap. Tinggi rendahnya level sinyal video inilah yang menentukan gelap-terangnya gambar di layar monitor.
Gambar (1) mekanisme pembentukan transmisi negatif
Pada transmisi negatif, polaritas sinyal video standar ini dibalik. Artinya, tegangan yang menghasilkan gambar gelap berada di atas, sedangkan yang menghasilkan gambar terang berada di bawah. Transmisi negatif sengaja dipilih karena adanya 3 keuntungan berikut:
Pertama, noise bukan mengurangi, tetapi menambah amplitudo sinyal pembawai. Tambahan noise pada amplitudo sinyal pembawa akan menyebabkan reproduksi gambar menuju ke arah gelap (hitam). Akibatnya efek yang ditimbulkan oleh noise menjadi tidak begitu kentara.
Kedua, gambar pada kebanyakan waktu adalah terang. Sebab gambar yang terang lebih mudah dilihat. Hal ini akan membuat amplitudo sinyal pembawa gambar pada kebanyakan waktu adalah kecil (rata-ratanya kecil), sehingga diperoleh penghematan daya yang cukup berarti di bagian pemancar.
Ketiga, puncak pulsa sinkronisasi dari sinyal video yang terbalik ini relatif berharga tetap (tidak berubah-ubah). Oleh karena itu pulsa sinkronisasi, yang tidak tergantung dari gelap-terangnya gambar, bisa dimanfaatkan sebagai referensi penerimaan sinyal di pesawat penerima, dalam rangka untuk menghasilkan tegangan DC pada rangkaian AGC (Automatic Gain Control).
Secara teknis pembalikan polaritas sinyal video ini cukup mudah. Pada IC yang berisi penguat diferensial pembalikan polaritas cukup dilakukan dengan memilih salah satu pin outputnya saja. Contoh penguat video yang cukup populer untuk keperluan ini adalah IC tipe LM-733 dan NE-592.
Gambar (2) contoh sebuah rangkaian video amplifier & fasa output yang bisa dipilih
Gambar (2) di atas memperlihatkan sebuah rangkaian penguat video menggunakan IC tipe LM-733, dimana pin outputnya bisa dipilih sefasa atau terbalik fasanya. Penguat video ini memiliki faktor penguatan tegangan sebesar 10x dengan swing output maksimum sebesar 4 Vpp. Bila penguat ini diberi input sinyal video standar sebesar 1 Vpp maka akan diperoleh sinyal output dengan swing sebesar 10 Vpp. Tapi berhubung swing maksimumnya hanya 4 Vpp maka sinyal sebesar 10 Vpp ini dengan sendirinya akan terpotong (clipped). Oleh karena itu di sisi input kemudian dipasang sebuah resistor variabel yang berfungsi untuk mengatur besarnya level input agar swing output tidak terlampaui. Resistor variabel ini pada gilirannya juga sekaligus berfungsi untuk mengatur indeks modulasi. Selain itu tambahan resistor di input juga sekaligus berfungsi sebagai matching impedance (standar 75 ohm untuk sinyal video).

RANGKAIAN CLAMPING
Sinyal video memiliki komponen AC dan DC. Adanya kopling kapasitor di sepanjang aliran sinyal video akan menghilangkan komponen DC ini. Sebab salah satu sifat kapasitor adalah memblokir sinyal DC. Hal ini tentu saja tidak diinginkan, karena akan mengakibatkan reproduksi gelap terangnya gambar menjadi berubah / tidak sesuai lagi dengan gambar aslinya (perhatikan gambar 3b).
Cara yang paling umum digunakan untuk membangkitkan kembali komponen DC ini adalah dengan rangkaian clamping, dan mengingat sifatnya yang mampu mengembalikan komponen DC maka rangkaian ini sering disebut dengan DC Restorer. Rangkaian clamping berfungsi untuk menjepit pulsa sinkronisasi (dari bahasa Inggris "clamp" yang berarti menjepit) pada suatu level tertentu sehingga komponen DC yang hilang tadi dapat dikembalikan lagi.
Clamping puncak adalah salah satu jenis rangkaian clamping yang secara praktis paling banyak dipakai, karena rangkaian ini sangat sederhana dan murah. Komponennya hanya berupa sebuah dioda dan resistor pembagi tegangan saja. Resistor pembagi tegangan di sini dimaksudkan untuk mengatur level tegangan DC sesuai yang dikehendaki (gambar 3c).
Gambar 3 (a) Sinyal video lengkap dengan komponen DC nya (b) Komponen DC hilang akibat kopling kapasitor (c) Contoh rangkaian clamping puncak
Rangkaian clamping puncak bekerja dengan jalan memanfaatkan sifat dioda yang hanya mengalirkan arus ke satu arah saja, dimana dioda akan ON bila mendapat tegangan maju (forward bias) dan akan OFF bila tidak mendapat tegangan, atau tegangan balik (reverse bias). Rangkaian clamping puncak dapat berkerja dengan baik karena di dalam sinyal video terdapat pulsa-pulsa sinkronisasi yang muncul secara periodik dan kontinyu. Pada saat sinyal video ini melewati dioda, maka pulsa-pulsa sinkronisasi yang menyebabkan dioda tersebut ON akan dijepit pada level DC tertentu, sedangkan sinyal video yang levelnya di bawah pulsa sinkronisasi akan diteruskan ke output.
Pada saat dioda dalam kondisi OFF, keberadaan kapasitor (C1) akan menjaga level DC itu untuk beberapa saat. Muatan listrik di dalam kapasitor C1 ini tidak langsung hilang tetapi perlu waktu beberapa saat untuk membuangnya. Ketika muatan listrik itu baru berkurang sedikit, pulsa berikutnya muncul lagi, dan membuat dioda ON. Maka muatan kapasitor terisi penuh kembali. Demikian seterusnya sehinga rangkaian clamping ini menjepit / menahan pulsa sinkronisasi pada satu level DC tertentu. Lalu dengan mengatur titik kerja dioda pada suatu level yang dikehendaki, maka akan diperoleh kembali komponen DC yang hilang akibat adanya kopling-kopling kapasitor di sepanjang jalur sinyal video.
Rangkaian clamping puncak memang sederhana, murah dan praktis sehingga banyak digunakan secara luas. Kelemahan dari rangkaian ini adalah puncak pulsa sinkronisasi akan terpotong bila pulsa itu naik secara tiba-tiba. Bila hal ini terjadi maka ketinggian pulsa sinkronisasi akan berkurang. Akan tetapi karena berkurangnya tidak berakibat langsung pada informasi gambar maka kelemahan ini umumnya masih bisa diterima.
Gambar (4) Komponen-komponen sinyal video komposit
Alternatif lain untuk mengatasi kelemahan clamping puncak adalah dengan rangkaian front porch clamping. Cara kerja front porch clamping pada dasarnya sama dengan clamping puncak. Bedanya, pada rangkaian front porch clamping terdapat rangkaian pengatur waktu (timer) yang waktunya dapat diatur sedemikian rupa sehingga dioda clamping hanya akan bekerja tepat pada saat komponen front porch muncul (komponen front porch pada sinyal video diperlihatkan dalam gambar 4). Dengan cara ini maka komponen DC tetap dapat dikembalikan tanpa memotong ketinggian pulsa sinkronisasi. Rangkaian front porch clamping tentu lebih rumit dan mahal mengingat di dalamnya terdapat rangkaian timer yang sangat presisi.

Modulator Gambar

Untuk siaran TV di Indonesia, sinyal gambar dipancarkan menggunakan modulasi AM. Untuk itu perlu diketahui lebih dulu tentang bagaimana cara membuat gelombang bermodulasi AM. Salah satu cara yang paling umum dilakukan adalah dengan memanfaatkan transkonduktansi transistor. Dalam sebuah transistor Penguat Tegangan besarnya faktor penguatan tegangan adalah:
Av = - gm . ZL
Av = Faktor penguatan tegangan
gm = Transkonduktansi

ZL = Impedansi beban output penguat
Besarnya nilai transkonduktansi (gm) adalah berbanding lurus dengan arus bias di kolektor (Ic), dan nilai transkonduktansi (gm) ini juga dipengaruhi oleh suhu dimana pada suhu kamar (300 °K) nilai gm = Ic / 0.026, sehingga persamaan Penguat Tegangan di atas bisa diubah menjadi :
Av = (Ic / 0.026) . ZL
Dari persamaan ini terlihat bahwa faktor penguatan tegangan berbanding lurus dengan arus bias yang mengalir pada kolektornya (Ic). Dengan demikian bila dengan suatu cara kita bisa mengubah Ic ini maka faktor penguatan tegangan akan berubah secara linier terhadap perubahan Ic itu. Bila penguatan ini berubah-ubah berarti tegangan atau amplitudo sinyal output yang dihasilkan akan berubah-ubah pula. Nah dari sinilah sinyal bermodulasi AM kemudian dihasilkan.
Sekarang kita lihat cara kerja rangkaian Penguat Arus. Sesuai namanya, Penguat Arus tidak memperkuat amplitudo tegangan, tetapi memperkuat arus. Jadi bila kita masukkan sinyal input ke dalam Penguat Arus maka tegangan di output akan sama dengan tegangan di input, sedangkan arus yang mengalir di output yang membesar.
Selanjutnya Penguat Tegangan dan Penguat Arus itu kita rangkai secara seri sehingga kita akan mendapatkan rangkaian modulator AM yang sangat populer yang disebut Two Transistor Transconductance Modulator (T3M). Rangkaian ini dinilai sangat cocok digunakan sebagai modulator gambar karena:
1. Hasil modulasinya sangat linier
2. Mampu dimodulasi oleh sinyal video yang memiliki bandwitdh sangat lebar
3. Mampu menghasilkan indeks modulasi yang tinggi (lebih dari 90
%).
4. Daya RF output yang dihasilkan relatif besar
5. Rangkaiannya sederhana / tidak rumit
6. Komponennya mudah diperoleh dan harganya relatif murah
T3M adalah rangkaian penguat dua transistor yang dirangkai secara seri sebagaimana terlihat pada gambar (1). Transistor pertama (TR1) adalah Penguat Tegangan dengan input berupa sinyal carrier (Vc), sedangkan Transistor kedua (TR2) adalah Penguat Arus dengan input berupa sinyal video (Vm) . Secara garis besar cara kerja rangkain ini adalah sbb.:
Gambar (1) Rangkaian Two Transistor Transconductance Modulator (T3M)
Besarnya faktor penguatan TR1 tergantung dari arus yang mengalir pada arus bias di kolektornya (IC1) dimana besarnya IC1 ini kira-kira akan sama dengan arus yang mengalir di emitor (IE1), dengan asumsi arus yang mengalir di Base sangat kecil sehingga bisa diabaikan. Demikian juga besarnya IE1 kira-kira akan sama dengan IE2, yaitu arus yang mengalir pada emitor TR2, mengingat TR1 dan TR2 ini dirangkai secara seri. Besarnya IE2 adalah sama dengan Tegangan VE2 dibagi dengan resitor R4. Dan berhubung R4 berharga tetap, maka IE2 akan sebanding dengan VE2.
Nah berhubung TR2 adalah penguat arus (bukan penguat tegangan) maka VE2 akan selalu sebanding dengan sinyal inputnya (Vm). Jadi faktor penguatan TR1 akan menjadi sebanding dengan sinyal yang dimasukkan ke input TR2, yaitu Vm. Lalu mengingat input TR1 adalah sinyal carrier yang amplitudonya tetap tetap maka output dari TR1 (Vo) akan berupa sinyal AM dimana amplitudonya akan berubah-ubah sebanding dengan sinyal Vm.
Gambar (2) adalah sebuah contoh rangkaian T3M dimana TR1 diberi input sinyal pembawa [Vc(t)] sedangkan TR2 diberi input berupa sinyal video dengan polarisasi yang sudah terbalik [Vm(t)]. Dari rangkaian inilah kemudian dihasilkan sinyal gambar bermudulasi AM [Vo(t)]. Dalam gambar (2) terlihat adanya rangkaian clamping yang befungsi mengembalikan komponen DC sinyal video akibat kopling kapasitor.
Gambar (2) Salah satu contoh rangkaian modulator gambar
Indeks modulasi (dinyatakan dalam persen) adalah sebuah angka yang menyatakan seberapa besar sinyal pembawa menyimpang akibat dari sinyal pemodulasi. Indeks modulasi 100 % berarti seluruh sinyal pembawa termodulasi total, dan hal ini harus di hindari. Menurut standar yang berlaku, indeks modulasi maksimum untuk sinyal gambar adalah 90%. Angka ini akan dicapai pada saat sinyal video berada pada putih puncak (peak white) atau gambar yang paling terang.
Bila indeks modulasi melebihi 90% akan menyebabkan terjadinya Incidental Carrier Phase Modulation (ICPM) di pesawat penerima. Efeknya adalah berupa suara berisik yang sangat mengganggu pada saat di layar terdapat gambar yang sangat terang atau putih puncak. Untuk itu indeks modulasi harus dibatasi agar tidak melampaui 90%. Rangkaian "White Clip" biasanya dipasang untuk membatasi indeks modulasi ini.
Sinyal pemodulasi yang dimasukkan ke dalam rangkaian ini adalah sinyal video, maka besarnya indeks modulasi dapat diatur dengan cara mengatur besarnya level video input. Dalam contoh pada gambar (3) besarnya indeks modulasi diatur melalui resistor variabel 100 ohm yang terletak di input penguat video. Gambar (3) adalah sebuah contoh rangkaian modulator gambar lengkap dengan osilator sinyal pembawa gambar (33,9 MHz), penguat video dan pembalik fasa, rangkaian clamping dan modulator AM.
Gambar (3) Sebuah contoh rangkaian modulator gambar


PLL sebagai Modulator FM
Ketika berdiri sendiri, frekuensi output VCO sangat tidak stabil. Hal ini disebabkan karena kapasitansi varaktor dan kapasitansi intrinsik di dalam transistor yang digunakan, sangat dipengaruhi oleh suhu lingkungan. Bila suhu berubah maka frekuensi VCO akan berubah, sehingga dinyatakan bahwa frekuensi VCO tidak stabil. Ketidak-stabilan frekuensi VCO ini kemudian diatasi dengan sistem PLL.
Perubahan suhu lingkungan umumnya berlangsung sangat lambat. Ordenya bisa detik, menit atau jam. Perubahan yang lambat ini cukup mudah diikuti oleh Low Pass Filter (LPF) di dalam PLL. Sebab time response dari LPF ini telah sengaja dibuat lambat. Nah ketika frekuensi VCO berubah sedemikian cepat maka LPF tidak mampu lagi mengikuti perubahan itu. Sifat inilah yang membuat PLL bisa dimanfaatkan sebagai Modulator FM.
Gambar (a) Diagram blok konsep modulator FM menggunakan rangkaian PLL
Pada gambar (a) di atas sinyal pemodulasi dijumlahkan ke dalam tegangan DC yang dihasilkan oleh LPF, sehingga tegangan yang diterima oleh varaktor adalah tegangan DC ditambah dengan tegangan sinyal pemudulasi. Akibatnya frekuensi VCO akan berubah-ubah sesuai perubahan sinyal pemodulasi.
Bila sinyal pemodulasi ini berupa sinyal audio dengan frekuensi terrendah = 20 Hz, maka hal ini berartii bahwa perubahan yang paling lambat akan terjadi dalam waktu = 1 / 20 Hz = 0.05 detik. Sementara itu time response LPF telah sengaja dibuat misalnya = 0.07 detik. Maka perubahan frekuensi VCO yang disebabkan oleh sinyal audio itu terlalu cepat bagi LPF sehingga LPF tidak bisa mengikutinya.
Perubahan frekuensi VCO yang disebabkan karena perubahan suhu, masih bisa diikuti oleh LPF. Sebab perubahan suhu jauh lebih lambat dari time response LPF. Sangat jarang terjadi suhu berubah dalam waktu kurang dari 1 detik, sehingga time response LPF sebesar 0.07 detik akan terasa sangat responsif terhadap perubahan suhu. Akan tetapi menghadapi perubahan sinyal audio yang begitu cepat (lebih dari 0.05 detik) LPF tidak mampu lagi mengikutinya. Oleh karena itu, walaupun frekuensi output VCO ini berubah-ubah (sebanding dengan sinyal audio), tetapi frekuensi tengahnya akan selalu terkunci oleh sistem PLL. Dengan kata lain, frekuensi pembawa dari sinyal FM dalam sistem PLL adalah tetap (stabil).
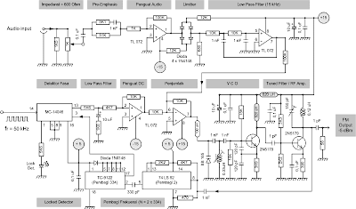
Modulator Suara (FM) pada Siaran TV
Pada siaran TV, standar modulasi untuk memancarkan sinyal suara adalah FM. Berikut ini akan dijelaskan contoh implementasi dari rangkaian Modulator FM untuk siaran TV yang bekerja pada frekuensi IF = 33,4 MHz sesuai rekomendasi CCIR. Frekuensi ini selanjutnay akan digeser ke frekuensi kerjanya sesuai kanal yang dikehendaki.

Gambar (b) Diagram blok modulator FM dengan frekuensi pembawa IF = 33,4 MHz
Pada Pemancar TV, berdasarkan rekomendasi CCIR, frekuensi IF untuk sinyal pembawa gambar telah ditetapkan sebesar 38,9 MHz. Sinyal pembawa gambar cukup mudah dibangkitkan dari sebuah osilator kristal 38,9 MHz. Osilator inilah yang kemudian digunakan sebagai frekuensi referensi PLL untuk membangkitkan sinyal pembawa suara. Tujuannya adalah agar frekuensi pembawa gambar dan pembawa suara ini keduanya bersumber pada satu pembangkit frekuensi yang sama, sehingga akan diperoleh selisih frekuensi yang selalu sama (5,5 MHz). Di pesawat penerima TV "frekuensi selisih" sebesar 5,5 MHz ini sangat penting karena frekuensi ini digunakan sebagai frekuensi IF pembawa suara, yang kemudian dideteksi untuk menghasilkan sinyal audio.
Bilangan yang merupakan kelipatan terkecil dari 38,9 MHz dan 33,4 MHz adalah 0,1 MHz = 100 KHz. Oleh karena itu untuk mendapatkan frekuensi 33,4 MHz dari 38,9 MHz harus digunakan frekuensi referensi (fr) = 100 kHz, dimana frekuensi ini bisa diperoleh melalui rangkaian pembagi dengan R = 389. Tapi berhubung rangkaian pembagi 389 yang ditemukan dipasaran tidak mampu membagi frekuensi di atas 20 MHz maka diperlukan sebuah rangkaian pre-scaler. Dalam contoh ini pre-scaler yang dipilih adalah sebuah rangkaian pembagi 2. Dengan demikian frekuensi referensi (fr) yang digunakan akan terbagi 2 menjadi 100 kHz/ 2 = 50 KHz. Frekuensi referensi inilah yang kemudian digunakan PLL untuk mengunci frekuensi output VCO.
Ketika dalam kondisi terkunci, detektor fasa akan mengeluarkan tegangan error berupa pulsa-pulsa DC. Oleh LPF pulsa-pulsa ini diintegrasi hingga menjadi tegangan DC yang sangat rata dengan simpangan antara 0 s/d 5 volt. Untuk mendapatkan "capture range" (simpangan frekuensi yang bisa dikunci) yang lebih lebar, diperlukan sebuah Penguat DC agar simpangan tegangan DC ini bisa naik menjadi 0 s/d 15 volt DC.
Selanjutnya sebuah rangkaian penjumlah diperlukan untuk menjumlahkan tegangan error DC itu dengan sinyal pemodulasi. Hasil penjumlahannya kemudian diberikan kepada varaktor yang terdapat dalam rangkaian VCO. Tegangan error DC berfungsi untuk mengunci frekuensi pembawa, sedangkan sinyal pemodulasi berfungsi untuk membuat output VCO termodulasi secara FM.
Contoh rangkaian modulator suara untuk siaran TV ini bisa dilihat :



Detektor Fasa
Ada berbagai macam rangkaian detektor fasa. Dalam sistem analog misalnya, dikenal rangkaian Ring Modulator dan Double Balance Mixer, sedangkan pada sistem digital dikenal rangkaian: OR-Gate, XOR-Gate, RS Flip-Flop, 3-State Buffer, dan Phase Frequency Detector (PFD). Dalam artikel ini hanya PFD yang akan dibahas, mengingat PFD paling banyak digunakan sebagai detektor fasa dalam sistem PLL.
Gambar (a) Rangkaian Phase Frequency Detector
Komponen utama PFD adalah dua buah positif edge triggered D-Flip-Flop, dua buah FET (Field Effect Transistor), dan sebuah AND-Gate sebagaimana ditunjukan pada gambar (a) di atas. Positif edge triggered artinya output Flip-Flop akan berubah hanya pada saat tegangan inputnya sedang dalam transisi naik, yaitu pada saat berubah dari dari kondisi “0” ke kondisi “1”. Di luar transisi naik ini kondisi Flip-Flop tidak akan berubah.
Dengan adanya rangkaian positif edge triggered maka pendeteksian beda fasa tidak tergantung dari duty cycle (lebar pulsa) sinyal input, mengingat sinyal yang dideteksi ini umumnya berupa pulsa-pulsa dengan duty cycle yang sangat rendah sebagai akibat dari rangkaian pembagi frekuensi. Sebab setelah melalui rangkaian pembagi frekuensi, duty cycle pulsa akan menurun sebanding dengan besarnya bilangan pembagi. Makin tinggi bilangan pembagi akan makin rendah duty cycle dari pulsa itu. Pulsa dengan duty cycle yang rendah akan terlihat seperti deretan jarum ketika dilihat di layar osiloskop.
Gambar (b) Bentuk sinyal output PFD
Sebagaimana digambarkan dalam gambar (b) di atas, rangkaian PFD akan menghasilkan 4 kondisi sebagai berikut:
Dalam rangkaian PLL, input A misalnya adalah sinyal referensi (fr) sedangkan input B adalah sinyal dari VCO (fo). Bila misalnya fo turun hingga lebih kecil dari fr, maka tegangan rata-rata output PFD akan tinggi (gambar c). Tegangan ini akan membuat fo naik kembali karena kapasitansi varaktor dalam VCO mengecil. Sebaliknya bila fo naik hingga lebih besar dari fr maka tegangan rata-rata output PFD akan rendah (gambar d). Tegangan ini akan membuat fo turun kembali karena nilai kapasitansi varaktor di dalam VCO membesar. Itulah sebabnya rangkaian ini disebut PFD (Phase-Frequency Detector) yang berarti detektor ini tidak hanya mampu mendeteksi beda fasa tetapi juga beda frekuensi. Atas sifatnya ini maka PFD banyak sekali digunakan sebagai detektor fasa/frekuensi dalam sistem PLL.
Gambar (c) Pada saat fo <> fr
Gambar (e) memperlihatkan karakteristik tegangan output PFD sebagai fungsi dari beda fasa inputnya. Pada gambar ini terlihat bahwa PFD mampu mengakomadasi beda fasa mulai dari +360° hingga – 360° dengan tingkat kelinieran yang tinggi. Berdasrkan kurva karakteristik ini kemudian bisa diturunkan nilai Konstanta detektor fasa. Konstanta ini, bersama-sama dengan Konstanta yang lain (Konstanta VCO, Konstanta LPF, Konstanta penguat DC, dan bilangan pembagi frekuensi N), akan menentukan karakteristik PLL. Contoh PFD, VCO dan konsep penentuan karakteristik PLL dapat dipelajari lebih lanjut dalam datasheet IC tipe TLC-2932 (www.alldatasheet.com).
Gambar (e) Karakteristik tegangan output PFD terhada beda fasa dua sinyal inputnya.

PLL (Phase Locked Loop)
Osilator adalah sebuah rangkaian yang sangat penting dalam sistem komunikasi radio. Sebab gelombang elektromagnetik hanya bisa terpancar bila ada arus listrik yang berubah, dan cara termudah untuk mendapatkannya adalah dari osilator. Jadi fungsi utama osilator adalah sebagai pembangkit gelombang pembawa. Fungsi penting lain dari osilator adalah ketika gelombang pembawa itu harus digeser frekuensinya ke frekuensi lain yang dikehendaki. Jelas bahwa penggeseran frekuensi membutuhkan osilator.
Syarat penting bagi sebuah osilator adalah stabil, dalam arti frekuensinya tidak mudah berubah. Akan tetapi pada prakteknya justru lebih banyak dibutuhkan osilator yang frekuensinya mudah diubah-ubah (variabel). Dua kondisi ini terlihat saling bertentangan. Stabil artinya frekuensinya harus tetap, tapi di sisi lain frekuensi ini harus mudah diubah-ubah.
Gambar contoh (a) Rangkaian osilator kristal (b) Rangkaian VCO
Osilator yang sangat stabil adalah osilator kristal. Tetapi kristal tidak bisa diubah frekuensinya. Sebab frekuensi resonansi kristal ditentukan oleh demensi fisiknya. Kristal quartz misalnya, harus diasah sedemikian rupa sehinga pada demensi tertentu elektron di dalamnya ber-resonansi pada frekuensi tertentu. Demensi inilah yang menentukan frekuensi resonansi kristal, dan inilah yang membuat osilator kristal menjadi sangat stabil, karena demensi tak mudah berubah.
VCO (voltage controlled oscillator) adalah osilator LC yang frekuensinya bisa dikendalikan dari tegangan yang diberikan pada varaktor-nya (lihat gambar b). Varaktor adalah dioda yang bila diberi tegangan balik akan menjadi kapasitor, dimana nilai kapasitansinya tergantung dari tegangan yang diberikan padanya. Jadi dengan mengubah tegangan pada varaktor itu, frekuensi VCO akan berubah. Sementara itu nilai kapasitansi varaktor (maupun kapasitansi intrinsik dalam transistor) sangat mudah dipengaruhi oleh suhu. Inilah yang membuat frekuensi VCO mudah berubah (kurang stabil). Sensitif terhadap suhu.
PLL mempekerjakan dua jenis osilator itu (kristal dan VCO) sedemikian rupa sehingga menghasilkan frekuensi output yang stabil dan sekaligus mudah diubah-ubah (variabel). Caranya adalah dengan membagi frekuensi VCO dan kemudian membandingkannya dengan frekuensi referensi yang berasal dari osilator kristal (gambar d).
Prinsip kerja PLL
Dua buah sinyal dikatakan memiliki frekuensi yang sama bila beda fasa antara keduanya selalu tetap. Bila misalnya frekuensi VCO berubah maka beda fasa antara osilator kristal dan VCO akan berubah. Perubahan beda fasa ini kemudian oleh detektor fasa dikonversi menjadi perubahan tegangan error. Tegangan error berupa deretan pulsa-pulsa ini kemudian dilewatkan ke rangkaian Low Pass Filter sehingga menjadi tegangan DC yang benar-benar rata. Selanjutnya perubahan tegangan DC yang sudah rata ini diberikan pada varaktor sehingga frekuensi VCO kembali seperti semula. Dengan cara ini maka frekuensi VCO akan “terkunci” (locked) dan selalu sama dengan frekuensi osilator kristal. Berhubung osilator kristal sangat stabil maka frekuensi VCO dengan sendirinya akan ikut stabil. Inilah prinsip kerja PLL (gambar c).
Dalam gambar (d) frekuensi referensi (fr) berasal dari osilator kristal yang telah dibagi (oleh rangkaian pembagi frekuensi) dengan bilangan pembagi = R. Sementara itu, sebelum dibandingkan dengan frekuensi referensi (fr), frekuensi output VCO (fo) juga dibagi dengan bilangan pembagi = N. Pada saat sistem PLL ini dalam keadaan terkunci (locked) maka fr = fo / N atau dengan kata lain :
fo = N . fr.
Berdasarkan persamaan ini maka fo akan mudah dibuat variabel dengan mengubah besarnya bilangan N, dimana N adalah bilangan bulat dan fr adalah satuan terkecil dari perubahan fo. Satuan terkecil ini sering disebut step. Dengan demikian mudah di dihitung
Bila fr = 100 kHz maka fo = N. 100 kHz.
Bila fr = 10 kHz maka fo = N . 10 kHz
Bila fr = 1 kHz maka fo = N . 1 kHz, dst.
N adalah bilangan bulat, bukan pecahan, dan N bisa bernilai 1 hingga tak berhingga. Dalam praktek umumnya N ditentukan oleh lebar frekuensi kerja VCO, karena tidak ada VCO yang mampu bekerja pada frekuensi nol hingga tak berhingga.
Lebar frekuensi VCO ditentukan oleh karakteristik varaktor yang digunakan. Nilai kapasitansi varaktor dalam PLL ditentukan oleh tegangan error yang dihasilkan detektor fasa yang besarnya berkisar antara 0 – 5 volt, mengingat detektor fasa umumnya dibangun dari TTL (Transitor Transistor Logic) yang beroperasi pada tegangan 5 volt. Variasi tegangan error inil akan menentukan lebar frekuensi kerja VCO. Terkadang variasi tegangan 0 - 5 volt sering dirasa kurang. Untuk mendapatkan variasi tegangan yang lebih lebar (misalnya 0 - 15 volt) dibutuhkan sebuah DC Amplifier sehingga akan diperoleh frekuensi kerja VCO yang lebih lebar.
Kesimpulan penting yang bisa diambil dari sini adalah bahwa frekuensi output PLL sangat stabil (se-stabil frekuensi kristal) tapi sekaligus dapat diubah-ubah dengan amat mudah, cukup dengan mengubah besarnya bilangan pembagi (N).

Transmisi Vestegial Side Band (VSB)
Sinya video memiliki bandwidth sebesar 5 MHz. Oleh karena itu untuk mentransmisikan sinyal gambar yang bermodulasi AM dimana didalammnya berisi sinyal video, maka dibutuhkan bandwidth sebesar 2 x 5 MHz = 10 MHz. Pemakaian bandwidth selebar ini dianggap terlalu boros mengingat bandwidth adalah sumber daya alam yang sangat terbatas (non renewable resource). Pemakaian sistem modulasi SSB (Single Side Band) bisa menghemat bandwidth hingga setengahnya, tetapi untuk mendeteksi sinyal SSB diperlukan detektor sinkron yang sangat rumit dan mahal. Sebaliknya detektor selubung yang digunakan untuk mendeteksi sinyal AM sangatlah sederhana dan murah. Oleh karena itu kemudian diambil jalan tengah sbb.:
1.Sistem modulasi AM tetap dipilih agar rangkaian penerima yang jumlahnya sangat banyak tetap memakai detektor selubung yang sederhana dan murah.
2. Digunakan sebuah filter khusus di sisi pemancar yang bertujuan untuk mengurangi bandwidth yang terlalu lebar, dengan tanpa mengurangi nilai informasi maupun kualitas (gambar) yang terkandung di dalamnya. Teknik modulasi ini kemudian disebut dengan Vestegial Side Band (VSB), dan filter khusus yang digunakan disebut VSB filter.
Persyaratan teknis dari VSB filter sangat berat, misalnya kurva kemiringan (slope) redaman di kedua sisinya harus sangat tajam. Perhatikan gambar (1) di bawah ini. Sementara redaman dan group delay pada passband-nya harus flat agar seluruh spektrum frekuensi yang dilewatkannya mendapat redaman dan delay yang realtif sama.
Gambar (1) Response frekuensi dari VSB Filter jenis SAW tipe SF0036BA01033T
Bila VSB filter dibuat dari rangkaian LC maka sedikitnya akan memerlukan 7 tingkat resonator LC dengan sistem penalaan (tuning) yang cukup rumit. Selain itu demensi dari filter LC 7 tingkat ini dengan sendirinya menjadi besar, sehingga kurang praktis dan harganyapun jadi mahal. Namun saat ini telah banyak VSB filter yang memanfaatkan teknologi SAW (Surface Accoustic Wave) yang berdemensi kecil sehingga lebih praktis dan harganya pun murah karena diproduksi secara masal.
VSB filter sebenarnya hanya digunakan untuk pemancar TV. Namun jenis pemancar TV itu sendiri cukup beragam. Diantaranya adalah untuk siaran (broadcast), untuk jaringan TV kabel (Head End) dan distribusi siaran TV di hotel-hotel berbintang, apartemen dan perkantoran sehingga wajar bila VSB filter diproduksi secara masal mengingat kebutuhan pasar cukup banyak dan beragam.
Salah satu contoh VSB filter berteknologi SAW adalah SF0036BA01033T yang memiliki karakteristik sebagaimana diperlihatkan pada gambar 2.4.6a. Filter ini berfungsi untuk memotong sebagian besar dari upper side band dan hanya sebagian kecil saja yang disisakan. Dari bagian kecil yang tersisa (vestegial) inilah nama Vestegial Side Band (VSB) berasal.
VSB filter tipe SF0036BA01033T banyak sekali digunakan pada pemancar-pemancar TV dengan sistem separate amplifier karena bandwitdh-nya hanya 6 MHz. Sementara itu gambar (2) memperlihatkan karakteristik VSB filter sejenis tetapi dengan bandwidth yang lebih lebar (7 MHz). Dengan bandwidth yang lebih lebar, maka filter ini mampu meloloskan sekaligus sinyal suara dan juga sinyal Nicam Stereo yang sering digunakan pada siaran TV stereo. Itulah sebabnya VSB filter tipe ini (SF0036BA01072T) banyak digunakan pada pemancar-pemancar TV dengan sistem common amplifier.
Sekedar catatan: VSB filter yang identik dengan SF0036BA01072T adalah X6872D atau HB3612 sedangkan yang identik dengan SF0036BA01033T adalah X6865D atau HB3611.
Gambar (1) Response frekuensi dari VSB Filter jenis SAW tipe SF0036BA01072T
IF AMPLIFIER
VSB filter jenis SAW memiliki karakteristik yang sangat ideal, yaitu: response frekuensi di pass band sangat rata, slope redaman di kedua sisinya sangat tajam, dan group delay-nya sangat seragam. Namun sayang faktor insertion loss dari filter ini cukup tinggi, yaitu sekitar 30 dB. Dengan kata lain, sinyal yang melewati filter ini akan mengalami redaman sekitar 30 dB. Untuk itu diperlukan rangkaian penguat (IF amplifier) dengan gain minimal 30 dB agar daya yang hilang akibat redaman filter ini dapat dikembalikan lagi. Dua buah contoh IF amplifier yang cocok untuk keperluan ini adalah TM6719 atau AC566. Kedua amplifier ini bekerja pada frekuensi 5 hingga 500 MHz, memiliki gain yang cukup besar (33 dB) dan daya outputnya juga relatif besar (lebih dari 5 mW).
Gambar (3) Level sinyal pembawa gambar yang bekerja di frekuensi antara (IF) dengan asumsi level RF output dari sinyal pembawa gambar Modulator Gambar adalah -3 dBm pada beban 50 Ohm.


Detektor Selubung
Detektor selubung sangat sederhana dan murah, karena hanya terdiri dari sebuah dioda, sebuah kapasitor, dan sebuah resistor. Dalam rangkaian ini dioda berfungsi untuk menyearahkan sinyal pembawa. Sinyal pembawa yang semula berbentuk sinusoidal murni menjadi “rusak” akibat disearahkan oleh dioda. Itulah sebabnya dioda dikatakan bersifat non-linier, karena mampu menghasilkan sinyal output yang berbeda sama sekali dengan sinyal inputnya. Dari sifat non-linier dioda ini kemudian dihasilkan “frekuensi selisih” dimana salah satu komponen frekuensi selisih (antara sinyal bermodulasi AM dengan sinyal pembawanya) tidak lain adalah sinyal pemodulasi itu sendiri.
Gambar (1) Mekanisme pendeteksian sinyal AM menggunakan detektor selubung
Sinyal AM terdiri dari frekuensi pembawa (fc) dan frekuensi sinyal pemodulasi (fm). Dengan kata lain :
Frekuensi sinyal AM = fAM = fc + fm
Akibat dari sifat non-linier dioda maka akan terjadi produk intermodulasi dari kedua komponen frekuensi ini. Salah satu produk intermodulasi itu adalah “frekuensi selisih”.
Frekuensi selisih = fAM – fc = (fc + fm) – fc = fm
Jadi munculnya frekuensi sinyal pemodulasi (fm) ini adalah merupakan produk dari sifat non-linier dioda. Produk-produk lain seperti frekuensi harmonik dan “frekuensi jumlah” tentu juga muncul, tetapi produk-produk dengan frekuensi tinggi ini dengan sendirinya akan dihilangkan oleh kapasitor. Mengenai komponen "frekuensi jumlah" dan "frekuensi selisih bisa dipelajari lebih jauh pada artikel Translasi Frekuensi.
Pada rangkaian detektor selubung (gambar 1b) fungsi kapasitor di sini adalah untuk meneruskan / membuang sinyal berfrekuensi tinggi ke ground, termasuk di dalamnya adalah frekuensi sinyal pembawa, frekuensi harmonik dan komponen "frekuensi jumlah". Sinyal pembawa yang frekuensinya jauh lebih tinggi dibanding sinyal pemodulasi (fm) akan langsung dialirkan ke ground oleh kapasitor ini. Sementara sinyal pemodulasi yang frekuensinya relatif rendah malah akan ditahan oleh kapasitor untuk kemudian diteruskan ke output. Jadi kapasitor dan resistor pada rangkaian detektor selubung ini berfungsi sebagai rangkaian Low Pass Filter yang yang bertujuan untuk membuang sinyal-sinyal berfrekuensi tinggi dan sekaligus meneruskan sinyal pemodulasi yang berfrekuensi rendah.
Selain penjelasan berdasarkan frequency domain, prinsip kerja Detektor Selubung juga bisa dijelaskan berdasarkan Time Domain sebagi berikut:
Resistor pada rangkaian detektor selubung ini berfungsi untuk membuang muatan listrik yang tersimpan di dalam kapasitor. Jika tidak ada resistor ini maka muatan kapasitor akan segera penuh dan akhirnya tegangannya akan sama dengan tegangan maksimum yang diberikan padanya. Oleh karena itu muatan ini harus segera dibuang setiap kali kapasitor mendapat tegangan input.
Tegangan input yang diterima kapasitor ini adalah setengah perioda dari sinyal AM hasil keluaran dioda, dimana amplitudonya sebanding dengan sinyal pemodulasi (gambar 1c). Dengan membuang muatan setiap kali kapasitor menerima sinyal pembawa bermodulasi AM ini, maka tegangan pada kapasitor praktis akan sama dengan besarnya tegangan selubung sinyal pembawa. Hal ini bisa terjadi karena kecepatan pembuangan muatan kapasitor telah sengaja dibuat cukup rendah sehingga kecepatan pembuangannya tidak mampu mengikuti kecepatan perubahan sinyal pembawa. Hasilnya adalah, tegangan output pada kapasitor dan resistor ini akan sama dengan tegangan selubung dari sinyal pembawa yang tidak lain adalah sinyal pemodulasi itu sendiri (fm).

Prinsip Kerja Penguat Tabung
Di dalam tabung trioda terdapat tiga buah elektroda, yaitu: katoda, anoda dan grid. Dalam operasinya katoda harus dipanaskan agar elektron-elektron yang berada di dalamnya mudah terlepas. Kemudian anoda diberi tegangan positif agar mampu menarik elektron-elektron yang terlepas itu. Selanjutnya grid di letakkan di antara katoda dan anoda yang berfungsi untuk mengendalikan jumlah elektron yang mengalir dari katoda ke anoda.
Bila grid diberi tegangan negatif maka pada grid akan terbentuk kutub negatif yang justru akan menahan / menghambat aliran elektron. Akibatnya jumlah elektron yang mengalir dari katoda ke anoda akan menurun / berkurang. Sebaliknya bila grid diberi tegangan posistif maka pada grid akan terbentuk kutub positif yang akan menarik elektron-elektron itu. Akibatnya elektron akan ditarik oleh anoda dan sekaligus oleh grid sehingga jumlah elektron yang mengalir menjadi bertambah besar. Oleh karena itu bila tegangan yang diberikan pada grid berupa sinyal RF (tegangan bolak-balik) maka jumlah elektron yang mengalir dari katoda ke anoda akan naik turun sebanding dengan besarnya tegangan sinyal RF ini.
Sementara itu arus yang dibutuhkan untuk mengubah tegangan grid relatif kecil, tetapi perubahan arus (aliran elektron dari katoda menuju anoda) yang diakibatkannya sangat besar. Perbandingan antara arus yang mengalir di anoda dengan arus yang mengalir di grid inilah yang kemudian disebut dengan faktor penguatan atau gain.

A = Anoda; K = Katoda; F = Filamen / Pemanas; G = G1 = Kontrol Grid; G2 = Screen Grid
Gambar di atas memperlihatkan rangkaian dasar dari sebuah penguat tabung Trioda dan tabung Tetroda. Pada gambar (b) komponen penguat yang digunakan adalah tabung Tetroda, yaitu tabung yang memiliki empat buah elektroda. Tiga elektrodanya sama dengan tabung Trioda, tetapi dengan tambahan satu grid lagi. Grid yang pertama (G1) fungsinya sama dengan grid tabung trioda, yaitu sebagai pengendali arus (control grid), sedangkan grid yang kedua (G2) berfungsi sebagai tabir penyekat (screen grid) untuk mengisolasi hubungan kapasitif antara input (G1) dengan output (anoda). Selain itu screen grid juga berfungsi sebagai pemercepat aliran elektron karena polaritasnya yang positif. Dengan adanya screen grid ini maka tabung Tetroda dapat menghasilkan gain yang lebih besar dan frekuensi kerja yang lebih tinggi dibanding tabung Trioda.
Dalam tabung Trioda terlihat jelas adanya hubungan kapasitif antara input (G) dengan output (A), karena kedua elektroda ini terbuat dari logam dan posisinya saling berhadap-hadapan sehingga mirip kapasitor keping sejajar. Akibatnya, di antara input dan output tabung Trioda muncul kapasitor intrinsik. Efek negatif dari kapasitor intrinsik ini adalah menurunkan gain, terutama pada frekuensi tinggi. Itulah sebabnya makin tinggi frekuensi sinyal akan menurunkan gain dari penguat ini. Hal yang sama juga terjadi pada transistor.
Pada tabung Tetroda hubungan kapasitif antara input dan output menjadi berkurang oleh adanya screen grid (G2). Inilah yang membuat gain dari tabung Tetroda jauh lebih baik dibanding Trioda. Pada tabung IOT hubungan antara input dan ouput ini benar-benar hilang / terisolasi secara sempurna, sehingga diperoleh gain yang lebih tinggi lagi. Gain tabung Tetroda maksimum hanya 17 dB sedangkan tabung IOT bisa mencapai 20 dB. Perbedaan gain sebesar 3 dB ini berarti: tabung IOT memiliki gain dua kali lipat dibanding tabung Tetroda.
Dalam praktek, konstruksi elektroda di dalam tabung tidak disusun secara berjajar sebagaimana yang digambarkan dalam simbolnya, tetapi disusun secara coaxial (satu sumbu), dimana filamen dan katoda diletakkan pada sumbu utama, lalu diselubungi oleh control grid (G1), kemudian keduanya diselubungi lagi oleh screen grid (G2), sedangkan selubung paling luar adalah Anoda (perhatikan gambar contoh tabung Tetroda 4CX1500A di bawah ini). Keuntungan dari konstruksi ini adalah elektron-elektron yang terlepas dari katoda tidak akan lari kemana-mana, tapi hanya bisa bergerak di dalam ruang yang diselubungi oleh Anoda itu. Medan listrik yang terbentuk di antara Anoda dan Katoda hanya memberi satu pilihan buat elektron untuk bergerak ke satu arah saja, yaitu ke Anoda. Dengan demikian gerakan elektron benar-benar terbungkus rapat di dalam selubung Anoda.
Sayangnya konstruksi dan susunan elektroda ini sangat dipengaruhi oleh panjang gelombang sinyal yang akan diperkuatnya. Bila diameter anoda diperbesar akan membuat kapasitor intrinsik (parasitik) ikut membesar sehingga penguat akan mudah berosilasi. Bila elektroda-elektroda ini diperpanjang akan muncul panas dari dalam tabung sebagai akibat adanya tegangan dan arus di antara screen grid dan anoda yang besarnya merupakan fungsi dari panjang elektroda itu.** Oleh karena itu panjang elektroda-elektroda ini selalu diusahakan agar tidak melebihi 1/16 dari panjang gelombang sinyal yang akan diperkuatnya. Jika tidak, akan timbul panas yang berlebihan dari dalam tabung. Keterbatasan konstruksi dan demensi elektroda inilah yang membuat pemberian tegangan dan arus pada tabung menjadi terbatas. Akibatnya gain dan daya output yang dihasilkannya juga terbatas.
Meskipun demikian penguat tabung masih tetap unggul dalam banyak hal, misalnya: penguatannya linier, efisien dalam mengkonsumsi listrik, harga relatif murah dan daya RF yang dihasilkannya cukup besar (hingga 30 kW). Bila dua unit penguat tabung 30 kW outputnya ini dijumlahkan, maka akan dihasilkan output total sebesar 55 kW. Daya output sebesar ini sudah cukup untuk meng-cover satu wilayah kota metropolitan. Tabung lain yang mampu menghasilkan daya yang lebih besar dari itu adalah tabung IOT. Satu unit penguat tabung IOT bahkan bisa menghasilkan daya output hingga 100 kW.
Prinsip Kerja IOT Amplifier
Cara kerja penguat IOT pada prinsipnya tidak jauh berbeda dengan penguat tabung Trioda. Perbedaan utamanya hanya terletak pada metoda atau cara mengambil daya RF dari outputnya. Pada penguat tabung Trioda daya RF diambil dari arus yang mengalir di anoda, dimana arus yang telah mengalami penguatan disalurkan ke beban melalui kopling kapasitor atau induktor, sedangkan pada penguat IOT daya RF diambil dari perubahan energi kinetik elektron yang diinduksikan ke beban. Pengambilan daya output melalui mekanisme induksi inilah yang membuat tabung ini diberi nama Inductive Output Tube (IOT).
Sistem induksi pada IOT pada prinsipnya sama dengan sistem induksi pada trafo, dimana daya yang dihasilkan pada kumparan sekunder merupakan akibat dari induksi arus listrik yang berasal dari kumparan primer. Daya yang dihasilkan oleh kumparan sekunder selalu sebanding dengan daya yang dialirkan ke kumparan primer. Namun ada satu syarat mutlak yang harus dipenuhi dalam sistem induksi ini, yaitu arus yang mengalir di kumparan primer haruslah berupa arus bolak-balik (AC). Sebab berapapun besar daya yang dialirkan ke kumparan primer, transfer daya ke kumparan sekunder tidak akan pernah terjadi bila yang mengalir di kumparan primer adalah arus searah (DC). Jadi transfer daya melalui mekanisme induksi hanya terjadi bila arus yang mengalir berubah terhadap waktu. Prinsip dasar ini juga berlaku pada penguat tabung IOT.
Gambar di atas memperlihatkan sebuah konduktor melingkar (loop) yang diletakkan dalam medan magnit yang ditimbulkan oleh arus listrik, dimana arus ini mengalir dari titik A ke titik B. Bila arus listrik ini berubah terhadap waktu [i1 (t)], maka loop akan terinduksi dan menghasilkan arus listrik yang juga berubah terhadap waktu [i2 (t)]. Arus induksi yang dihasilkan oleh loop ini selanjutnya dapat disalurkan langsung ke beban (RL). Inilah prinsip dasar dari transfer daya melalui mekanisme induksi.
Di dalam tabung IOT, arus listrik yang dimaksud adalah berupa aliran elektron yang mengalir dari katoda ke anoda. Elektron-elektron ini berasal dari Katoda yang dipanaskan dan kemudian ditarik oleh tegangan tinggi Anoda. Dalam operasinya, tabung IOT dikelilingi oleh dua buah kumparan yang menghasilkan medan magnit untuk menjaga agar elektron-elektron tersebut tidak menyebar, tetapi mengalir dalam satu garis lurus yang padat. Hal ini dimaksudkan agar energi kinetik elektron-elektron tersebut terkonsentrasi pada satu garis sebagaimana layaknya arus listrik mengalir pada sebuah konduktor. Aliran elektron ini selanjutnya dilewatkan pada cerobong pengarah yang diberi mana drift tube dan tail pipe (lihat gambar dibawah). Di antara drift tube dan tail pipe ini diberi sebuah celah agar aliran elektron (arus listrik) ini dapat menginduksikan energinya ke output.
Berhubung di dalam tabung adalah ruang hampa maka elektron-elektron tersebut akan mengalir tanpa hambatan sedikitpu. Sebab tidak ada satu partikel apapun yang menghalangi aliran elektron ini. Dinding tabung yang mengelilingi celah antara drift tube dan tail pipe dibuat dari bahan keramik yang memiliki struktur molekul sangat padat, kuat dan tahan panas, namun tetap bersifat dielektrik (isolator) yang berarti bahan ini mudah ditembus oleh induksi arus listrik.
Grid diletakkan secara permanen di depan Katoda. Antara Katoda dan Grid elektroda dipisahkan oleh sebuah isolator keramik. Di dalam operasinya, katoda harus dipanaskan hingga suhunya mencapai 1000 – 1100°C agar elektron-elektron di dalamnya mudah terlepas. Jarak antara Grid dan Katoda yang begitu dekat membuat Grid harus dibuat dari bahan yang tahan panas dan stabil secara mekanik maupun elektronik. Selain itu Grid juga harus dibuat setipis mungkin agar tidak menghambat aliran elektron yang bergerak dari katoda menuju anoda. Untuk memenuhi persyaratan teknis ini kemudian dipilih sebuah bahan yang diberi nama phyrolitic graphite.
Sebelumnya phyrolitic graphite sudah banyak dimanfaatkan sebagai Grid pada tabung trioda / tetroda. Keunggulan phyrolitic graphyte ini adalah justru akan semakin keras bila suhunya semakin tinggi, dan mampu bertahan hingga suhu 2500°C. Dengan demikian Grid dari bahan phyrolitic graphyte ini dapat dibuat sangat tipis (sekitar 0,15 – 0,20 mm), namun secara mekanis tetap kokoh dan stabil.

Gambar contoh bentuk Phyrolitic Graphite Grid
Pada tabung Trioda / Tetroda bentuk fisik Grid dibuat mirip kain kasa, sedangkan pada tabung IOT bentuknya mirip antena parabola (lihat gambar contoh). Bentuk Grid yang mirip parabola ini disesuaikan dengan permukaan Katoda yang juga berbentuk parabolic. Hal ini dimaksudkan agar elektron-elektron yang keluar dari Katoda akan terfokus ke drift tube.
Cara Kerja & Konstruksi IOT Amplifier
Di bagian input, sinyal RF dimasukkan ke dalam tabung IOT melalui antena berbentuk loop yang terletak di dalam cavity input (lihat gambar bagian [A]). Gelombang elektromagnetik yang dipancarkan oleh antena loop ini kemudian ber-resonansi di dalam cavity input sehingga menyebabkan tegangan antara Katoda dan Grid berubah-ubah sesuai besarnya perubahan sinyal input itu. Perubahan tegangan Katoda-Grid ini kemudian akan mengakibatkan jumlah elektron yang mengalir ke Anoda berubah-ubah. Besarnya perubahan ini juga akan sebanding dengan perubahan sinyal input itu tadi. Aliran elektron yang jumlahnya (kerapatannya) berubah-ubah ini kemudian mendapat percepatan (dari tegangan tinggi Anoda) sehingga energi kinetiknya naik beberapa kali lipat. Dari proses percepatan inilah kemudian terjadi penguatan (gain). Energy sinyal input yang lemah tadi menyebabkan aliran elektron dengan energy kinetik yang jauh lebih besar.
Selanjutnya, di sisi output, energi kinetik elektron dengan kerapatan yang berubah-ubah itu kemudian akan menginduksi antena loop yang diletakkan di cavity output primer hingga menghasilkan arus listrik. Arus listrik hasil induksi ini kemudian akan mengalir menuju ujung loop yang berupa antena probe. Sementara itu antara ujung probe dengan kubah kecil (dome) yang berada di seberangnya membentuk sebuah kapasitor keping sejajar [perhatikan gambar bagian (D)]. Melalui hubungan kapasitif, arus listrik kemudian mengalir dari antena loop primer ke antena probe yang berada di cavity sekunder. Arus RF yang mengalir pada antena probe ini selanjutnya akan menghasilkan medan magnit di dalam cavity sekunder, yang kemudian menginduksi antena loop output sekunder. Arus listrik atau Daya RF yang dihasilkan oleh loop output sekunder inilah yang akhirnya dialirkan ke coaxial probe untuk kemudian akan disalurkan ke tujuan akhir, yaitu antena.
Gambar struktur amplifier tabung IOT. Gambar yang di tengah adalah potongan melintang struktur amplifier, sedangkan gambar-gambar yang di samping (A) (B) (C) dan (D) adalah sub-sub bagian dari konstruksi amplifier ini. Sumber: E2V Technologies The Mode of Operation of the EEV IOT and Its Use in UHF Television Transmitters ww.e2vtechnologies.com
Cavity atau rongga berfungsi sebagai ruangan bagi sinyal RF untuk ber-resonansi. Jadi cavity di sini fungsinya adalah sama dengan rangkaian resonator LC. Demensi atau volume rongga akan menentukan frekuensi resonansi dalam batas-batas tertentu. Oleh karena itu dalam hal ini cavity sekaligus berfungsi sebagai band pass filter. Selanjutnya frekuensi kerja dan bandwidth dari band pass filter ini dapat diatur dengan jalan mengubah demensi / volume cavity tersebut.
Fenomena resonansi dapat dijumpai sehari-hari pada kentongan kayu. Kayu yang semula padat kemudian diberi rongga lalu ketika dipukul, akan menghasilkan suara yang amat keras. Rongga atau cavity ini berperan untuk memberi ruang buat gelombang suara untuk ber-resonansi. Hasilnya, suara yang ditimbulkan menjadi sangat keras. Bila volume rongga ini diubah maka warna suara (timbre) yang ditimbulkannya juga akan berubah, karena frekuensi suara yang ber-resonansi di dalamnya berubah sesuai demensi rongga itu. Prinsip inilah yang kemudian diterapkan pada cavity penguat IOT.
Dua buah cavity yang dipasang pada penguat IOT dimaksudkan untuk memperlebar bandwidth. Hal ini disebabkan karena faktor kualitas dari satu cavity relatif tinggi. Faktor kualitas (Q) yang tinggi berarti sangat selektif. Dengan kata lain response frekuensinya sangat tajam. Akibatnya bandwidth yang bisa diloloskan cukup sempit. Untuk memperlebar bandwidth ini kemudian digunakan dua buah cavity (primer dan sekunder) yang masing-masing dapat di-tune pada frekuensi tengah yang berbeda.
Selain kedua cavity output, ada bagian-bagian lain dari penguat IOT yang sengaja dibuat variable, dengan tujuan agar komponen ini bisa dimanfaatkan sebagai rangkaian tuner. Contohnya adalah: volume cavity input, tuner output, dan kopling antara cavity output primer dengan cavity input sekunder. Masing-masing tuner ini selanjutnya dapat diatur sedemikian rupa sehingga menghasilkan bandwitdh yang cukup lebar dan dengan response frekuesi sesuai yang dikehendaki.
Pada umumnya penguat IOT dioperasikan di kelas AB, dimana sinyal output yang dihasilkan oleh penguat kelas AB tidak berbentuk sinusoidal murni melainkan hanya setengah gelombang saja. Namun sinyal output yang setengah gelombang ini akan menjadi utuh kembali (sinusoidal murni) setelah melewati cavity selaku band pass filter. Jadi walaupun beroperasi di kelas AB penguat IOT dapat menghasilkan penguatan yang linier. Jika dioperasikan di kelas A pasti akan linier tetapi terlalu boros energi, sedangkan jika dioperasikan di kelas C akan lebih efisien tetapi menjadi tidak linier. Jadi pemilihan kelas AB adalah hasil optimasi dari kelinieran dan efisiensinya dalam mengkonsumsi energi.
Pada kelas AB tanpa kehadiran sinyal RF di input sudah ada arus bias yang mengalir di dalam tabung. Pemberian arus bias ini bertujuan untuk menghilangkan distorsi cross-over yang umum terjadi di penguat kelas B. Sayangnya energi kinetik elektron dari arus bias ini tidak bisa diinduksikan ke output, karena aliran elektron ini sama dengan arus searah (DC). Sementara itu elektron-elektron berkecepatan tinggi ini pada akhirnya pasti akan menabrak dinding kolektor. Akibatnya enegi kinetik yang dikandungnya berubah menjadi panas.
Selain itu panas juga muncul akibat efisiensi penguat yang tidak mungkin 100%. Dengan kata lain, tidak semua arus RF dalam tabung IOT diinduksikan seluruhnya ke output. Sampai saat ini efisiensi sebuah penguat IOT rata-rata masih berkisar di angka 40%. Ini berarti ada sekitar 60% daya yang dikonsumsi berubah menjadi panas. Bisa dibayangkan betapa besar daya yang terbuang sia-sia menjadi panas ini. Sekedar ilustrasi, sebuah pemancar yang menghasilkan daya RF rata-rata 40 kW akan menyedot daya sebesar 100 kW, dimana daya yang 60 kW akan terbuang sia-sia menjadi panas. Disipasi panas sebesar ini menimbulkan masalah tersendiri sehingga diperlukan perlakuan khusus untuk mendinginkannya.
Multi Stage Depressed Collector (MSDC) IOT
Dengan semakin tingginya harga energi listrik per-kWh, peningkatan faktor efisiensi pada penguat IOT terus dilakukan. Salah satu teknik yang dikembangkan adalah dengan memperlambat kecepatan elektron sebelum menabrak dinding kolektor. Perlambatan ini dilakukan dengan cara memberi tegangan negatif pada kolektor yang disusun secara bertahap. Sistem ini kemudian disebut dengan Multi Stage Depressed Collector (MSDC).
Gambar di atas memperlihatkan sebuah konsep MSDC 5 tahap, dimana Kolektor tahap 1 dan 2 tegangannya dibuat sama dengan tegangan Anoda, sedangkan Kolektor tahap 3 diberi tegangan –11 kV, Kolektor tahap 4 diberi tegangan –18 kV, dan Kolektor tahap 5 diberi tegangan –36 kV yang sama dengan tegangan Katoda. Gambar di bawah ini memperlihatkan contoh bentuk fisik MSDC 5 tahap dalam potongan 3 demensi.
Sumber: L3 Communications, Electron Devices, www.L-3com.com/edd
Makin banyak tahapan itu dibuat akan semakin kompleks konstruksi tabung, tetapi panas yang terbuang semakin berkurang. Menurut penelitian, 5 tahap untuk MSDC adalah yang paling optimum. Penambahan Kolektor tahap ke 6, ke 7 dan seterusnya akan menambah kerumitaan, sedangkan penurunan panas yang diperoleh tidak begitu berarti. Dengan sistem MSDC 5 tahap efisiensi penguat IOT meningkat hingga 60%.
Perlu dicatat bahwa efisiensi sebesar 60% yang dimaksud di sini adalah angka rata-rata. Sebab efisiensi penguat IOT pada siaran televisi selalu berubah mengingat amplitudo sinyal gambar yang dipancarkan selalu berubah-ubah. Untuk adegan terang misalnya, amplitudo sinyal gambar akan mengecil, sehingga daya RF output penguat akan turun dan efisiensinya juga ikut turun. Demikian sebaliknya, untuk adegan gelap, amplitudo sinyal gambar membesar, sehingga RF output membesar dan efisiensi penguat ikut membesar. Jadi efisiensi rata-rata penguat berada di antara kedua kondisi itu, atau dengan kata lain pada saat adegan berada pada level abu-abu (adegan tidak gelap dan tidak terang).
Pada umumnya penguat tabung menggunakan Anoda sebagai ground. Artinya, Anoda berperan sebagai titik atau tegangan referensi yang besarnya sama dengan nol. Sementara tegangan di titik-titik lain adalah relatif terhadap tegangan referensi ini. Di satu titik tertentu tegangannya bisa lebih positif atau lebih negatif dari titik nol ini.
Pada tabung IOT standar (bukan MSDC), tegangan di dindingKkolektor sama dengan tegangan Anoda. Ini berarti tegangan di Kolektor sama dengan nol (ground). Oleh karena itu air yang digunakan sebagai cairan pendingin menjadi tidak berbahaya ketika bersentuhan langsung dengan dinding Kolektor (Anoda). Sebab tegangan di Kolektor ini sama dengan nol (ground atau tanah tempat manusia berpijak). Dengan demikian pipa-pipa logam yang digunakan sebagai saluran air pendingin juga aman bila tersentuh manusia.
Akan tetapi air tidak bisa digunakan lagi sebagai cairan pendingin pada sistem MSDC. Sebab tegangan pada masing-masing kolektor MSDC berbeda-beda. Oleh karena itu cairan yang digunakan di sini haruslah bersifat isolator, agar antara Kolektor satu dengan Kolektor yang lain tidak saling terhubung. Juga agar tidak berbahaya bila tersentuh manusia. Tetapi cairan ini sekaligus juga harus tetap bersifat sebagai penghantar panas yang baik. Tujuannya adalah agar proses pembuangan panas tetap dapat berlangsung secara efektif.
De-ionizer adalah suatu cara yang digunakan untuk menghilangkan sifat konduktor air tanpa menghilangkan sifatnya sebagai penghantar panas yang baik. De-ionizer adalah suatu proses mengikat ion-ion bebas dalam air sehingga tidak ada lagi elektron-elektron yang bisa bebas bergerak di dalam air. Ketika tidak ada lagi elektron-elektron yang bebas (berperan sebagai penghantar listrik), maka air yang sudah terionisasi ini dengan sendirinya akan bersifat isolator, tanpa mengubah sifatnya sebagai penghantar panas. Perpindahan panas pada air sama sekali tidak dipengaruhi oleh ikatan elektron itu.
Selain air, cairan penghantar panas yang bersifat isolator dan banyak digunakan sebagai bahan pendingin adalah minyak pelumas atau oli yang diberi nama coolanol. Dulu coolanol banyak digunakan pada amplifier radar darat, radar pesawat tempur F-14 dan pesawat pembom B-2. Namun belakangan coolanol dinilai terlalu mahal, bersifat menyerap air dan kurang stabil, sehingga kini posisinya digantikan oleh cairan lain jenis Polyalfa Olefin (PAO). PAO merk Alfa-1® kini paling banyak digunakan sebagai cairan pendingin untuk penguat IOT jenis MSDC.

Diagram Sistem Pendingin IOT
Untuk panas yang begitu besar, penggunaan pendingin udara (forced air coolling system) sudah tidak efektif lagi mengingat udara pada dasarnya bukanlah media penghantar panas yang baik. Selain itu suara kipas angin yang berisik juga dirasa sangat menggangu. Penggunaan heat sink yang berukuran besar juga dinilai tidak praktis, apalagi harus diletakkan di tempat yang relatif sempit. Oleh karena itu sistem pendingin air (water cooled) dinilai lebih tepat. Sebab air memiliki daya hantar panas yang sangat baik, tidak berisik karena dialirkan melalui pipa, dan heat sink yang berukuran besar-besar itu bisa ditempatkan di luar / di ruangan yang lebih luas dan terbuka.
Air dapat dipompa sedemikian rupa sehingga mengalir melalui pipa-pipa menuju dinding kolektor tabung IOT. Debit air yang mengalir di dalam pipa ini dibuat sekitar 0,6 – 0,9 liter perdetik. Bahan pipa yang dulu sering digunakan adalah tembaga, namun karena seringnya terjadi korosi kini tembaga sudah jarang digunakan dan diganti dengan besi anti karat (stainless steel). Pipa PVC belakangan juga mulai banyak digunakan mengingat bahan ini anti karat, cukup kuat, murah dan pemasangan maupun perawatnnya juga relatif mudah.
Pada saat bersentuhan dengan kolektor, air akan langsung menyerap panas hingga suhunya naik sekitar 70°C. Air yang relatif panas ini lalu dialirkan menjauhi kolektor menuju heat sink berukuran besar (radiator) yang diletakkan di ruang terbuka. Radiator akan menyerap panas dari air ini dan kemudian memindahkannya ke udara terbuka. Dengan bantuan kipas angin (blower) pemindahan panas ini menjadi lebih efektif. Hasilnya, air yang keluar dari radiator suhunya akan turun hingga dibawah 40°C. Air yang relatif dingin ini kemudian dipompa lagi menuju kolektor lagi. Demikian siklus pemindahan panas berulang kembali. Gambar di bawah ini memperlihatkan siklus aliran air sebagai pendingin tabung IOT dimana di sini digunakan dua buah pompa untuk tujuan redundancy.

Untuk penguat IOT jenis MSCD sistem pendingin yang digunakan melibatkan proses sistem de-ionizer. Gambar di bawah merupakan diagram pendingin dengan melibatkan proses de-ionosasi air. Dalam gambar ini juga diperlihatkan bahwa panjang saluran air yang dide-ionisasi sengaja dibuat sependek mungkin agar volume air menjadi sekecil mungkin untuk mendapatkan de-ionisasi yang maksimal. Bila sistem pendingin ini menggunakan cairian Polyalfa Olefin yang bersifat isolator, maka gambar diagram di atas dapat digunakan.
Berikut adalah foto contoh produk penguat IOT yang diambil dari empat produsen IOT sebagai berikut :
1. E2V Technologies / Broadcast & Satellite Communications < www.e2vtechnologies.com >
2. L3 Communications / Electron Devices Division < www.l-3com.com/edd >
3. Communication & Power Industries Incorporation (CPI inc) / Eimac < www.cpii.com/eimac >
4. Thales Group (Thomson) / Electron Devices < http://www.thalesgroup.com/electrondevices >
Prisip Kerja Stasiun TV
Cara kerja stasiun TV dimulai dari Departemen Programming. Departemen inilah yang merencanakan dan menentukan program apa yang akan ditayangkan, pada jam berapa, dan siapa target pemirsanya. Lalu program itu apakah harus dibuat sendiri secara inhouse, outsource, dibeli jadi dari PH lokal atau harus diimport dari luar negeri. Dan jika dibeli dari luar negeri, program itu berupa cassete atau berupa siaran langsung (live). Progam impor dalam bentuk cassete contohnya adalah film seri The A Team, Smallville atu Mc Gyver, sedangkan program impor live contohnya adalah sepak bola piala dunia, tinju professional atau balap mobil formula satu.
Bila program-program itu telah disusun dan ditentukan, maka bagian Sales & Marketing yang akan memasarkan / menjualnya kepada calon pemasang iklan. Slot-slot waktu yang tersedia untuk iklan kemudian diberi harga (rate card). Jenis iklan yang dijual bisa berupa video, graphic, animasi, running text, built in dan blocking time. Itu semua tergantung dari kesepakatan antara kedua belah pihak (pemasang iklan dan operator stasiun TV).
Bila sebauh program dibuat sendiri secara in house, maka bagian Produksi kemudian akan mengumpulkan crew, membuat jadwal dan memproduksi program itu sesuai target waktu yang telah ditentukan. Produksinya bisa dikerjakan di dalam studio atau di luar studio, tergantung dari jenis program apa yang sedang dibuat. Setelah jadi (dalam bentuk pita cassete atau file) langkah berikutnya adalah proses Pasca Produksi (Editing, Graphic dan Quality Control). Bila telah lolos dari Quality Control berarti program ini telah siap tayang, dan program itu kemudian dikirim ke Playout untuk dimasukkan ke dalam daftar tunggu (Play List). Nantinya, pada jam, menit dan detik yang telah ditentukan, program itu akan tayang sendiri secara otomatis berdasarkan perintah dari software On-Air Automation.
On-Air Automation bekerja berdasarkan data entry yang dimasukkan oleh bagian Traffic. Data yang di entry itu misalnya: judul program, durasi, jam, menit dan detik kapan program itu harus tampil ke layar. Jika fasilitasnya tersedia, bisa juga data entry itu berisi kapan running text, graphic atau animasi iklan harus tampil bersama-sama dengan program. Bagian Traffic biasanya berada di bawah Sales / Marketing untuk memudahkan koordinasi dan kontrol penayangan iklan mengingat hal ini berakitan erat dengan tagihan kepada pemasang iklan.
Ketika semuanya sudah tersusun rapi dan kemudian di run, maka Playout akan secara otomatis menayangkan program dan iklan itu secara berurutan sesuai daftar yang tertera dalam Play List. Sinyal audio-video yang keluar dari Playout kemudian dipilih oleh Master Switcher untuk selanjutnya dikirim ke Pemancar untuk dipancarkan. Dalam banyak kasus sering kali letak Pemancar berada jauh di luar studio, sehingga dibutuhkan STL (Studio to Transmitter Link) untuk menyalurkan sinyal audio-video itu dari Studio ke Pemancar (perhatikan gambar diagram di bawah ini).
Gambar diagram prinsip kerja stasiun televisi
Dalam menyusun urutan program sering kali terdapat slot waktu untuk siaran langsung (live), baik yang berasal dari dalam atau dari luar studio. Sementara itu siaran langsung biasanya waktunya sering tidak tepat, dalam arti bisa maju atau mundur beberapa menit atau detik. Oleh karena itu di dalam software On-Air Automation umumnya telah tersedia fasilitas yang mampu menyesuaikan maju mundurnya waktu penayangan program siaran langsung ini.
Siaran langsung dari luar studio umumnya menggunakan satelit atau microwave link sebagai sarana untuk mengirimkan sinyal gambar dan suara dari suatu lokasi ke studio. Untuk itulah Audio-Video Terminal diperlukan (lihat gambar diagram di atas). Fungsinya adalah untuk memilih, memonitor dan menyesuaikan sinyal dari luar itu agar sesuai dengan standar yang gunakan di dalam studio. Misalnya siaran langsung balap mobil formula satu dari Amerika. Berhubung standar pengirim dari Amerika ini memakai sistem NTSC, maka harus diubah dulu menjadi PAL agar sesuai dengan standar yang digunakan di dalam studio.
Siaran langsung dari dalam studio misalnya siaran berita atau dialog. Biasanya program seperti ini bersifat reguler sehingga pengaturan level dan kualitas sinyalnya dapat di-set jauh hari sebelumnya (preset). Di dalam siaran berita sering kali disisipi dengan laporan langsung dari lokasi. Maka sinyal dari lokasi ini dihubungkan dulu ke studio, kemudian digabungkan dengan pembaca berita, baru kemudian diteruskan ke Master Switcher untuk disisipi logo, running text atau iklan animasi (bila ada) dan selanjutnya dikirim ke Pemancar.
Jika ukuran studio cukup besar maka bisa digunakan untuk memproduksi program-program hiburan seperti kuis, kontes / live music atau acara-acara lain yang agak kolosal. Tapi itu semua tergantung dari visi dan misi dari stasiun TV itu sendiri. Di beberapa stasiun TV, studio untuk program hiburan seperti itu umumnya dipisahkan dengan studio untuk siaran berita, sehingga ada lebih dari satu studio untuk memproduksi program yang berbeda-beda. Tapi di beberapa stasiun TV banyak juga dijumpai hanya satu studio untuk berbagai macam program. Tujuannya adalah untuk efisiensi. Maksudnya, agar efisien dalam hal investasi alat, luas ruang dan jumlah personel yang mengoperasikannya.
Studio sering pula digunakan untuk keperluan rekaman (taping). Hasil rekamannya kemudian di proses di jajaran Pasca Produksi untuk menjalani proses editing. Misalnya gambar yang tidak perlu harus dibuang, suara yang lemah diperkuat atau yang terlalu kuat dikurangi, kemudian diberi tulisan atau graphic supaya tampilannya lebih menarik, dan diberi sisipan suara (dubbing) bilamana perlu. Setelah proses itu semua selesai kemudian materinya diserahkan ke bagian Quality Control untuk diperiksa kualitasnya. Bila telah lolos QC barulah dikirim ke Play Out untuk dimaukkan ke dalam daftar tunggu (Play List). Pada waktu yang telah ditentukan program ini kemudian akan tampil sendiri ke layar secara otomatis.
source :
http://www.2wijaya.com/2W/Pemancar_TV.htm